Автоматический выключатель дифференциального тока АВДТ32 С40 (2Р, 30 мА) IEK MAD22-5-040-C-30
Автоматические выключатели дифференциального тока АВДТ 32 предназначены для защиты человека от поражения электрическим током при повреждении изоляции электроустановок, для предотвращения пожаров вследствие протекания токов утечки на землю и для защиты от перегрузки и короткого замыкания.
Рекомендуются для защиты групповых линий, питающих розетки наружной установки, розеток и освещения подвалов и гаражей.
Преимущества
- Комбинированная схема с электронным модулем дифференциальной защиты и встроенным автоматическим выключателем.
- Наиболее надёжная защита человека при прямом прикосновении к токоведущим частям.
- Независимый индикатор положения контактов.
- Широкий диапазон рабочих температур позволяет использовать выключатель в различных климатических поясах.
- Наличие кнопки "Тест" для проверки работоспособности устройства и правильности подключения.
- Габариты АВДТ соответствуют 2-модульному исполнению за счет размещения элементов конструкции.
- Быстрый монтаж с помощью защелки с двойным фиксированным положением.
- Увеличенная способность 6 кА позволяет устанавливать АВДТ в качестве вводных автоматов защиты.
Габаритные размеры

Особенности конструкции
![]() |
Комбинированная схема с электронным модулем дифференциальной защиты, варистором класса D и встроенным выключателем серии ВА47-60 обеспечивает 4 вида защиты: oт дифференциального тока (тока утечки), короткого замыкания, перегрузки, а также защиту внутренних частей устройства от импульсных перенапряжений. | ![]() |
Помехоустойчивая схема исключает ложное срабатывание. |
![]() |
Возможность одновременного присоединения шиной fork и гибким проводником для распределения питания цепи через верхние зажимы, а также возможность соединения шиной PIN. | ![]() |
Индикатор состояния главной цепи предоставляет точную информацию о состоянии контактов независимо от положения рукоятки. |
![]() |
Быстрый монтаж, дополнительная надёжность крепления на DIN-рейке с помощью защелки с двойным фиксированным положением. |
![]() |
Насечки на контактных зажимах снижают тепловые потери и увеличивают механическую устойчивость соединения. |
Технические характеристики
| Номинальный ток, А | 40 |
| Номинальный отключающий дифференциальный ток, мА | 30 |
| Характеристика срабатывания электромагнитного расцепителя | С |
| Число полюсов | 1P + N |
| Ширина по количеству модульных расстояний, мм | 36 |
| Номинальное напряжение, В | 230 |
| Номинальная частота сети, Гц | 50 |
| Номинальное импульсное выдерживаемое напряжение, кВ | 4 |
| Номинальная отключающая способность, А | 6000 |
| Рабочая характеристика при наличии дифференциального тока с постоянной составляющей | А |
| Время отключения при номинальном дифференциальном токе, мс. | 40 |
| Механическая износостойкость, циклов В-О, не менее | 15000 |
| Электрическая износостойкость, циклов В-О, не менее | 6000 |
| Максимальное сечение присоединяемых проводников, кв.мм | 25 |
| Степень защиты от пыли и влаги | IP20 |
| Климатическое исполнение и категория размещения по ГОСТ 15150 | УХЛ3.1 |
| Диапазон рабочих температур, °С | -25... +40 |
| Тип монтажа | на din-рейку |
| Вес изделия, кг | 0,19 |
| Срок службы, не менее, лет | 15 |
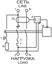
Схема подключения

Преимущества
- Доставка по всей России
- Более 200 000 товаров в ассортименте
- Профессиональная консультация
- Кабель БЕЗ опасности
- Качество по ГОСТу
|
Бренд
|
IEK |
|
СрокГарантии, мес
|
18 |
|
Количество полюсов
|
2 |
|
Марка изделия
|
АВДТ32 |
|
Модульная ширина (общее кол-во модульных расстояний)
|
2 |
|
Номинальное напряжение, В
|
230 |
|
Номинальная отключающая способность, кА
|
6 |
|
Номинальный ток утечки, мА
|
30 |
|
Номинальный ток, А
|
40 |
|
Тип тока утечки
|
A |
-
Зайдите на страницу товара и нажмите на кнопку «В корзину».
Далее можно продолжить покупки или перейти к оформлению заказа.
-
Перейдите в Корзину и нажмите «Перейти к оформлению».
Можно авторизоваться или оформить заказ без регистрации. Зарегистрированные пользователи могут:
- Отслеживать статус заказа
- Получать спецпредложения и промокоды на дополнительные скидки
- Укажите Ваши контакты: ФИО, телефон и e-mail.
- Выберите способ получения заказа (доставка или пункт самовывоза) и способ оплаты.
- Далее «Оформить заказ».
Готово: ваш заказ создан! По электронной почте или в личном кабинете Вы можете отслеживать статус заказа.
Теперь останется только ждать доставки и радоваться новой покупке!
Оплачивайте покупки удобным способом.
В нашем интернет-магазине доступно 3 варианта оплаты:
- Оплата наличными или картой при самовывозе в пункте выдачи заказов/магазине.
- Онлайн-оплата на сайте при оформлении заказа. Для совершения покупки система перенаправит вас на страницу платежного сервиса. Здесь необходимо заполнить форму по инструкции.
- Оплата по счету для юридических лиц. Оплата происходит после предоставления реквизитов для выставления счета. Покупатель получает счет на указанный e-mail.
Доступно 3 варианта доставки:
- Самовывоз из магазина. Список торговых точек для выбора появится в корзине. Для получения заказа обратитесь к сотруднику в кассовой зоне и назовите номер заказа.
- Доставка транспортной компанией СДЭК или Почтой РФ в отделение или постамат.
По всем возникающим вопросам можете позвонить нам на горячую линию:
Ежедневно с 8:00 до 20:00 по МСК
E-mail: help@kristall43.ru
Адрес: 610000, г. Киров, ул. Щорса, 68г, кабинет 3





