Пускатель КМИ-10960 9А 380В/АС3 IP54 IEK в оболочке
Контактор КМИ в сборе с электротепловым реле, в защитной оболочке, является комплектным устройством, состоящим из малогабаритного контактора КМИ, теплового реле РТИ, оболочки с сальниками и кнопок управления.
Предназначен для дистанционного пуска непосредственным подключением к сети и остановки трехфазных асинхронных электродвигателей с короткозамкнутым ротором на напряжение переменного тока до 400 В, а также для защиты электродвигателей от перегрузок недопустимой продолжительности и сверхтоков, возникающих при обрыве одной из фаз.
Преимущества
- Низкий уровень шума.
- Высокая электрическая износостойкость.
- Оболочка со степенью защиты от пыли и влаги IP54 позволяет использовать контактор на строительных площадках, в лакокрасочных, термических и гальванических цехах (при условии помещения аппаратуры под защитный навес).
- Заводская схема управления позволяет избежать ошибок при подключении на месте и сокращает время монтажа, которое ограничено только присоединением линейных питающих проводников.
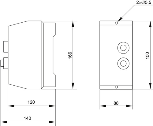
Размеры

Материалы
- Материал оболочки: пластик.
Технические характеристики
| Артикул | KKM16-009-380-00 | |
| Тип изделия | контактор / пускатель | |
| Параметры главной цепи | ||
|---|---|---|
| Номинальное рабочее напряжение переменного тока Ue, В | 400 | |
| Номинальный рабочий ток Ie, категория применения АС-3 (Un ?400 В), А | 9 | |
| Количество и вид силовых контактов | 3 нормально разомкнкутые | |
| Условный тепловой ток Ith (t° ?40 °C), категория применения АС-1, А | 25 | |
| Номинальная мощность по АС-3, кВт | 230 В | 2,2 |
| 400 В | 4 | |
| Номинальное напряжение изоляции Ui, В | 660 | |
| Номинальное импульсное напряжение Uimp, кВ | 6 | |
| Максимальная кратковременная нагрузка (t <1 с.), А | 162 | |
| Условный ток короткого замыкания Inc, А | 1000 | |
| Защита от сверхтоков - предохранитель gG, А | 10 | |
| Мощность рассеяния при Ie, Вт | АС-3 | 0,2 |
| АС-1 | 1,56 | |
| Механическая износостойкость | общий ресурс по износостойкости, млн. циклов | 10 |
| частота включений в час | 3600 | |
| Коммутационная износостойкость | общий ресурс по износостойкости, млн. циклов | 1,0 |
| частота включений в час | 1200 | |
| Температура окружающей среды при эксплуатации, °C | -25... +50 | |
| Относительная влажность воздуха, % | 50* при +40 °C | |
| Допустимая вибрационная нагрузка, Гц | до 100 (при ускорении 1 g) | |
| Степень защиты от пыли и влаги | IP54 (ГОСТ 14254) | |
| Климатическое исполнение и категория размещения | УХЛ4 (ГОСТ 15150) | |
| Сечение подключаемых проводников, кв.мм | гибкий кабель без наконечника | 1,0 - 2,5 |
| жесткий кабель без наконечника | 1,5 - 4 | |
| Крутящий момент при затягивании, Н*м | 1,2 | |
| Параметры цепи управления | ||
| Номинальное напряжение катушки управления Uc, В | 400 | |
| Диапазон напряжения управления Uc, В | срабатывание | 0,85 - 1,1 |
| отпускание | 0,2 - 0,75 | |
| Мощность потребления катушки при Uc, В*А | срабатывание (cos ?=0,75) | 60 |
| удержание (cos ?=0,3) | 7 | |
| Время срабатывания, мс. | замыкание | 12 - 22 |
| размыкание | 4 - 19 | |
| Мощность рассеяния, Вт | 3 | |
| Электрическая износостойкость, млн. циклов | АС-3 | 1,7 |
| АС-1 | 0,55 | |
| Механическая износостойкость, млн.циклов | 2 | |
| Параметры встроенного электротеплового реле главной цепи | ||
| Типоисполнение реле | РТИ-1314 | |
| Диапазон уставок реле, А | 7 - 10 | |
| Номинальное напряжение изоляции, В | 660 | |
| Номинальное импульсное напряжение, кВ | 6 | |
| Диапазон рабочей частоты, Гц | 0 - 400 | |
| Сечение присоединяемых проводников, кв.мм | гибкий кабель без наконечника | 1,5 - 10 |
| гибкий кабель с наконечником | 1 - 4 | |
| жесткий кабель | 1 - 6 | |
| Момент затяжки, Н*м | 2 | |
| Параметры встроенного дополнительного контакта реле | ||
| Тип дополнительного контакта | 1з | |
| Ток термической стойкости, А | 5 | |
| Максимальная мощность катушки контактора (380 В), В*А | 600 | |
| Защита от сверхтоков - предохранитель gG, А | 5 | |
| Сечение подключаемых проводников, кв.мм | 1 - 2,5 | |
| Момент затяжки, Н*м | 1,2 | |
* Допускается эксплуатация контакторов при относительной влажности воздуха до 90 % и температуре +20 °C.
Время-токовые характеристики срабатывания теплового реле
![]() |
1 - симметричный трехфазный режим из холодного состояния. 2 - симметричный двухфазный режим из холодного состояния. 3 - симметричный трехфазный режим после длительного прротекания номинального тока (горячее состояние). |
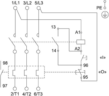
Схема электрическая

Примечание:
вспомогательная цепь (встроенный дополнительный контакт) - только для типоисполнений КМИ 34062, КМИ 35062, КМИ 46562, КМИ 48062, КМИ 49562.
Рекомендации по использованию
- В качестве нагрузки в большинстве случаев выступают асинхронные трехфазные двигатели с напряжением 400 В.
С целью снижения денежных затрат и экономии рабочего времени рекомендуется применять данную систему управления, так как исключается необходимость использования четвертого нулевого рабочего проводника, его разделки и монтажа.
- При управлении активными нагрузками (нагревательные цепи, цепи освещения), которые используют нулевой провод, рациональнее применять схему управления на 230 В).
Преимущества
- Доставка по всей России
- Более 200 000 товаров в ассортименте
- Профессиональная консультация
- Кабель БЕЗ опасности
- Качество по ГОСТу
-
Зайдите на страницу товара и нажмите на кнопку «В корзину».
Далее можно продолжить покупки или перейти к оформлению заказа.
-
Перейдите в Корзину и нажмите «Перейти к оформлению».
Можно авторизоваться или оформить заказ без регистрации. Зарегистрированные пользователи могут:
- Отслеживать статус заказа
- Получать спецпредложения и промокоды на дополнительные скидки
- Укажите Ваши контакты: ФИО, телефон и e-mail.
- Выберите способ получения заказа (доставка или пункт самовывоза) и способ оплаты.
- Далее «Оформить заказ».
Готово: ваш заказ создан! По электронной почте или в личном кабинете Вы можете отслеживать статус заказа.
Теперь останется только ждать доставки и радоваться новой покупке!
Оплачивайте покупки удобным способом.
В нашем интернет-магазине доступно 3 варианта оплаты:
- Оплата наличными или картой при самовывозе в пункте выдачи заказов/магазине.
- Онлайн-оплата на сайте при оформлении заказа. Для совершения покупки система перенаправит вас на страницу платежного сервиса. Здесь необходимо заполнить форму по инструкции.
- Оплата по счету для юридических лиц. Оплата происходит после предоставления реквизитов для выставления счета. Покупатель получает счет на указанный e-mail.
Доступно 3 варианта доставки:
- Самовывоз из магазина. Список торговых точек для выбора появится в корзине. Для получения заказа обратитесь к сотруднику в кассовой зоне и назовите номер заказа.
- Доставка транспортной компанией СДЭК или Почтой РФ в отделение или постамат.
По всем возникающим вопросам можете позвонить нам на горячую линию:
Ежедневно с 8:00 до 20:00 по МСК
E-mail: help@kristall43.ru
Адрес: 610000, г. Киров, ул. Щорса, 68г, кабинет 3
