Рубильник ВР 3235 В71250 (250 А, дугогасительные камеры, боковая смещенная рукоятка)
Выключатель-разъединитель трехполюсный на два направления на номинальный ток 250 А, с боковой смещенной рукояткой предназначен для включения, пропускания и отключения переменного и постоянного тока в устройствах распределения электрической энергии.
Изготовлен по ГОСТ 15150.
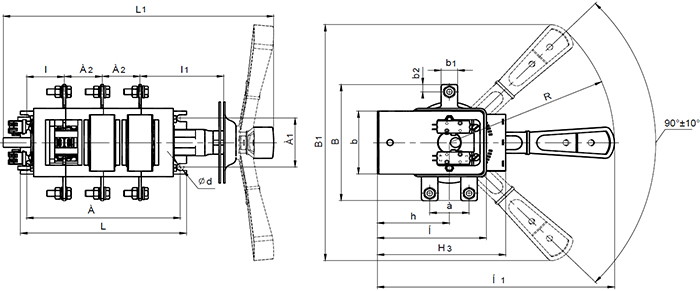
Габаритные и установочные размеры

| Размеры, мм | |||||||||
|---|---|---|---|---|---|---|---|---|---|
| А | А1 | А2 | B | B1 | L1 | L | а | b | b1 |
| 160 | 50 | 44 | 162 | 242 | 275 | 172,5 | 58 | 81 | 25 |
| b2 | H | H1 | H3 | I | I1 | h | d | R | --- |
| 12,5 | 124 | 240 | 150 | 36 | 78 | 79 | 7 | 162 | --- |
Технические характеристики
| Обозначение | ВР32-35-В71250-250А-УХЛ3-КЭАЗ |
| Категория ETIM | выключатель-разъединитель |
| Электротехнические характеристики | |
|---|---|
| Количество полюсов | 3 |
| Номинальный ток In, А | 250 |
| Частота тока, Гц | 50 / 60 |
| Род тока | AC / DC |
| Номинальное рабочее напряжение переменного тока Ue, В | 660 |
| Номинальный кратковременно выдерживаемый ток (в течение 1 с.), кА | 8 |
| Номинальный условный ток короткого замыкания Iq, кА | 14 |
| Номинальное рабочее напряжение постоянного тока Ue, В | 440 |
| Число направлений коммутации | 2 |
| Номинальное напряжение изоляции Ui, В | 660 |
| Условный тепловой ток на открытом воздухе Ith, A | 250 |
| Условный тепловой ток в оболочке Ithe, A | 200 |
| Монтажные характеристики | |
| Способ крепления (монтажа) | винт |
| Максимальное сечение присоединяемых проводов, кв.мм | 150 |
| Способ установки | стационарный с креплением на панели |
| Расположение плоскости присоединения внешних проводников | перпендикулярно |
| Расположение рукоятки ручного привода | правое |
| Эксплуатационные характеристики | |
| Климатическое исполнение и категория размещения | УХЛ3 |
| Степень защиты от пыли и влаги | IP00 |
| Диапазон рабочих температур, °С | -60... +40 |
| Группа условий эксплуатации | М4, М25, М29 |
| Категория применения IEC и номинальный ток | 250 A AC-21B, 250 A DC-21B, 125 A AC-22B, 125 A DC-22B |
| Механическая износостойкость, циклов В-О | 25000 |
| Дополнительные особенности | |
| Тип элемента управления | рычажковый (перекидной рычаг) |
| Дополнительное оборудование | дугогасительные камеры |
| Подходит для монтажа в горизонтальной плоскости | да |
| Пригоден в качестве предохранительного выключателя | да |
| Вид рукоятки | боковая смещенная |
| Исполнение рукоятки | съемная |
| Подходит для фронтального монтажа | да |
| Моторный привод встроенный | нет |
| Моторный привод (дополнительно) | нет |
| Пригоден в качестве устройства аварийной остановки | да |
| Пригоден в качестве сервисного выключателя | да |
| Компактная версия выключателя-разъединителя | нет |
| Подходит для установки в распределительный щит | да |
| Подходит для промежуточного монтажа | нет |
| Взаимоблокирующий | нет |
| Вес, кг | 3,0 |
Преимущества
- Доставка по всей России
- Более 200 000 товаров в ассортименте
- Профессиональная консультация
- Кабель БЕЗ опасности
- Качество по ГОСТу
|
Бренд
|
КЭАЗ |
|
СрокГарантии, мес
|
24 |
|
Количество полюсов
|
3 |
|
Марка изделия
|
ВР32-35 |
|
Макс. допустимое раб. напряжение Ue AC
|
660 |
|
Перекидной
|
Да |
|
Номинальный ток, А
|
250 |
|
С рукояткой
|
Да |
-
Зайдите на страницу товара и нажмите на кнопку «В корзину».
Далее можно продолжить покупки или перейти к оформлению заказа.
-
Перейдите в Корзину и нажмите «Перейти к оформлению».
Можно авторизоваться или оформить заказ без регистрации. Зарегистрированные пользователи могут:
- Отслеживать статус заказа
- Получать спецпредложения и промокоды на дополнительные скидки
- Укажите Ваши контакты: ФИО, телефон и e-mail.
- Выберите способ получения заказа (доставка или пункт самовывоза) и способ оплаты.
- Далее «Оформить заказ».
Готово: ваш заказ создан! По электронной почте или в личном кабинете Вы можете отслеживать статус заказа.
Теперь останется только ждать доставки и радоваться новой покупке!
Оплачивайте покупки удобным способом.
В нашем интернет-магазине доступно 3 варианта оплаты:
- Оплата наличными или картой при самовывозе в пункте выдачи заказов/магазине.
- Онлайн-оплата на сайте при оформлении заказа. Для совершения покупки система перенаправит вас на страницу платежного сервиса. Здесь необходимо заполнить форму по инструкции.
- Оплата по счету для юридических лиц. Оплата происходит после предоставления реквизитов для выставления счета. Покупатель получает счет на указанный e-mail.
Доступно 3 варианта доставки:
- Самовывоз из магазина. Список торговых точек для выбора появится в корзине. Для получения заказа обратитесь к сотруднику в кассовой зоне и назовите номер заказа.
- Доставка транспортной компанией СДЭК или Почтой РФ в отделение или постамат.
По всем возникающим вопросам можете позвонить нам на горячую линию:
Ежедневно с 8:00 до 20:00 по МСК
E-mail: help@kristall43.ru
Адрес: 610000, г. Киров, ул. Щорса, 68г, кабинет 3