Щит распределительный пластиковый навесной ЩРН-П-24 IP41 EKF PROxima, белый
Щиты распределительные пластиковые ЩРн-П, ЩРв-П EKF серии PROxima предназначены для установки модульной аппаратуры: автоматических выключателей, УЗО, таймеров, счетчиков электрической энергии и т.д.
Используются при электромонтаже в жилых, административных, торговых помещениях.

Преимущества
![]() Вертикальная дверца - монтаж независимо от положения соседних стен. |
![]() Шины N и PE в комплекте. |
![]() Выштампованные кабельные вводы. |
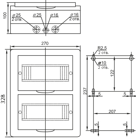
Размеры

Материалы и цвета
| Тип поверхности дверцы | прозрачный тонированный |
| Цвет корпуса | Белый (RAL 9010) |
| Материал корпуса | ABS пластик |
| Материал шин N и PE | латунь |
Особенности конструкции
- Электрощит оборудован защитной оперативной панелью, предотвращающей свободный доступ к токоведущим частям.
- Дверцы открываются вертикально, что позволяет устанавливать бокс независимо от положения соседних стен.

Технические характеристики
| Артикул | pb40-n-24 |
| Тип изделия | щит распределительный навесной |
| Исполнение | с прозрачными дверцами |
| Количество рядов | 2 |
| Общее количество модулей (шаг 18 мм) | 24 |
| Номинальное рабочее напряжение, В | 230 / 400 |
| Номинальный ток, А | 100 |
| Наличие шин N, PE | 4 шины (по 5 отверстий) |
| Количество DIN-реек в комплекте | 2 |
| Наличие монтажной панели | нет |
| Наличие закрывающего механизма / замка | нет |
| Диапазон рабочих температур, °C | -5... +50 |
| Степень защиты от пыли и влаги | IP41 |
| Климатическое исполнение и категория размещения | УХЛ3 |
| Вес изделия, кг | 1,49 |
| Срок службы, лет | 10 |
Преимущества
- Доставка по всей России
- Более 200 000 товаров в ассортименте
- Профессиональная консультация
- Кабель БЕЗ опасности
- Качество по ГОСТу
|
Бренд
|
EKF |
|
Высота, мм
|
328 |
|
Глубина, мм
|
100 |
|
СрокГарантии, мес
|
36 |
|
Количество рядов
|
2 |
|
Общее количество модулей
|
24 |
|
С крышкой
|
Да |
|
Серия
|
dd644cec-6eb2-11ef-a582-00155da43c00 |
|
Тип изделия
|
Бокс |
|
Цвет двери
|
чёрная |
|
Ширина, мм
|
270 |
-
Зайдите на страницу товара и нажмите на кнопку «В корзину».
Далее можно продолжить покупки или перейти к оформлению заказа.
-
Перейдите в Корзину и нажмите «Перейти к оформлению».
Можно авторизоваться или оформить заказ без регистрации. Зарегистрированные пользователи могут:
- Отслеживать статус заказа
- Получать спецпредложения и промокоды на дополнительные скидки
- Укажите Ваши контакты: ФИО, телефон и e-mail.
- Выберите способ получения заказа (доставка или пункт самовывоза) и способ оплаты.
- Далее «Оформить заказ».
Готово: ваш заказ создан! По электронной почте или в личном кабинете Вы можете отслеживать статус заказа.
Теперь останется только ждать доставки и радоваться новой покупке!
Оплачивайте покупки удобным способом.
В нашем интернет-магазине доступно 3 варианта оплаты:
- Оплата наличными или картой при самовывозе в пункте выдачи заказов/магазине.
- Онлайн-оплата на сайте при оформлении заказа. Для совершения покупки система перенаправит вас на страницу платежного сервиса. Здесь необходимо заполнить форму по инструкции.
- Оплата по счету для юридических лиц. Оплата происходит после предоставления реквизитов для выставления счета. Покупатель получает счет на указанный e-mail.
Доступно 3 варианта доставки:
- Самовывоз из магазина. Список торговых точек для выбора появится в корзине. Для получения заказа обратитесь к сотруднику в кассовой зоне и назовите номер заказа.
- Доставка транспортной компанией СДЭК или Почтой РФ в отделение или постамат.
По всем возникающим вопросам можете позвонить нам на горячую линию:
Ежедневно с 8:00 до 20:00 по МСК
E-mail: help@kristall43.ru
Адрес: 610000, г. Киров, ул. Щорса, 68г, кабинет 3


